中文
English
日本語
公司简介
发展历程
企业文化
社会荣誉
产品中心
车轮
模具
装备
技术品质
技术优势
品质保证
全球市场
开云(中国)
信息公示
人才在兴龙
职业发展
社会招聘
校园招聘
联系我们
开云(中国)
开云(中国)
首页
开云(中国)
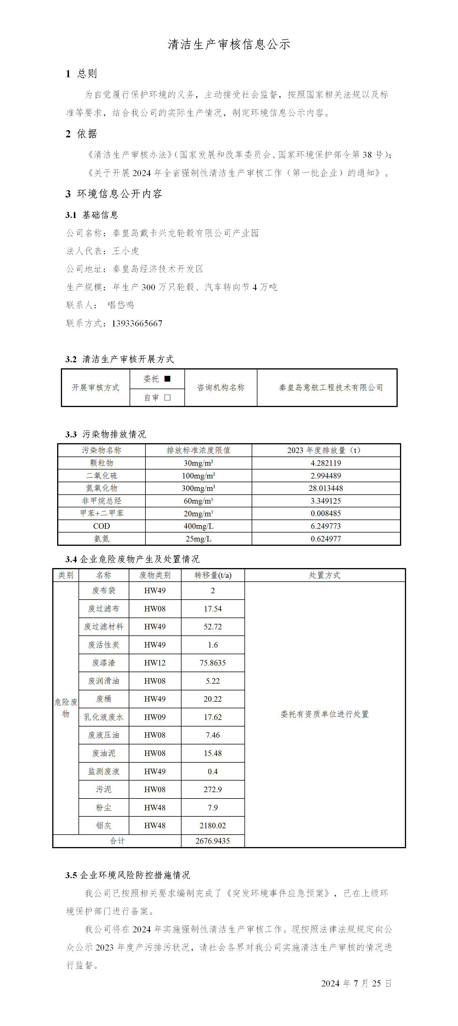
清洁生产审核信息公示
发布日期:2024-07-25
作者:
安博官方开户
|
欧宝ob官方网站
|
九州网页版登录入口
|
爱游戏(ayx)China官方网站
|
米兰在线登录
|
开云手机(中国)官方网站
|
开云官方网址
|
乐玩在线客服
|
球友会
|