中文
English
日本語
公司简介
发展历程
企业文化
社会荣誉
产品中心
车轮
模具
装备
技术品质
技术优势
品质保证
全球市场
开云(中国)
信息公示
人才在兴龙
职业发展
社会招聘
校园招聘
联系我们
开云(中国)
开云(中国)
首页
开云(中国)
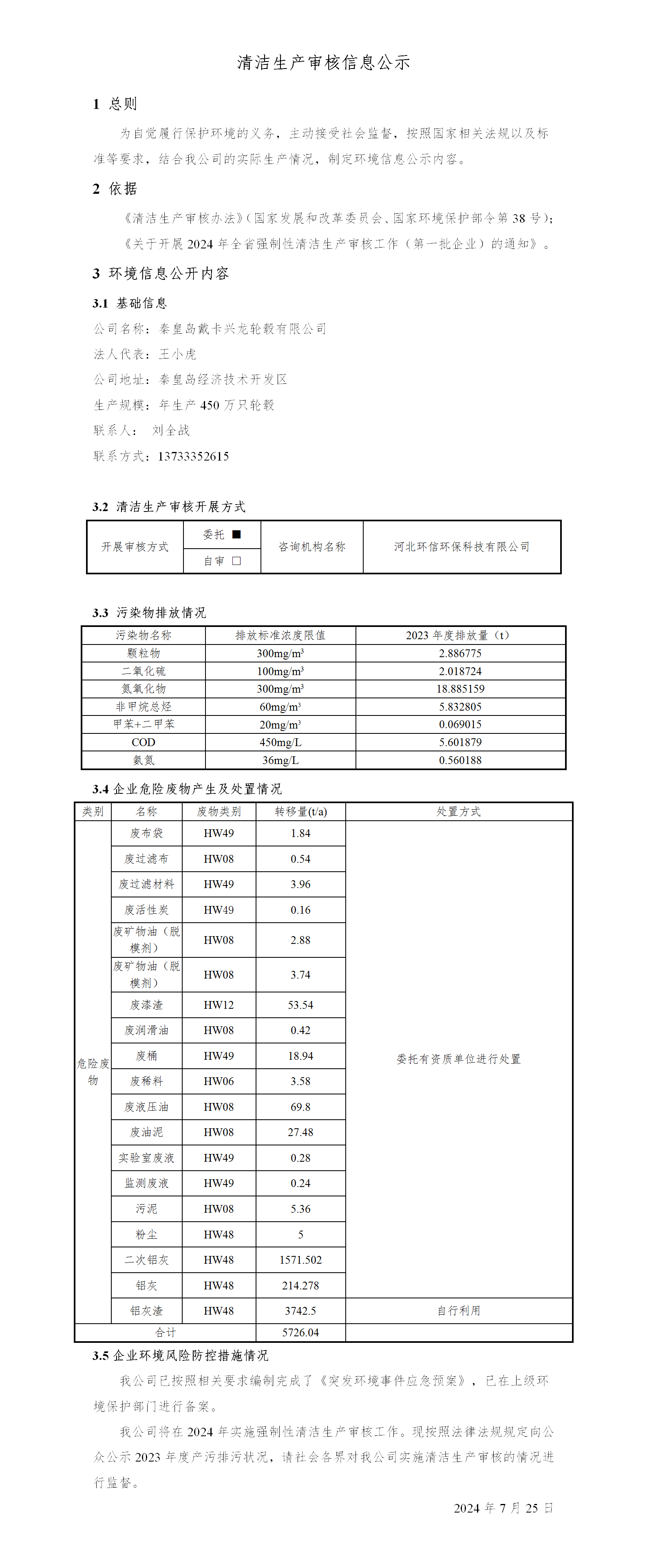
清洁生产审核信息公示
发布日期:2024-07-25
作者:
开云手机平台
|
万搏网页版-万搏(中国)
|
千亿官网网页版中国有限公司
|
亚新注册
|
亚新电子官方网站中国有限公司
|
九州备用链接中国有限公司
|
半岛电子(中国)官方网站
|
开云登陆入口
|
开云网页版登录入口
|